CADElectro
Пакет прикладных программ CADElectro, разработанный специалистами НПП "ТЕХНИКОН" и НПП "ИНТЕРМЕХ", предназначен для автоматизации проектных работ при создании электрооборудования систем управления технологическими процессами на базе релейно-контактной аппаратуры.
CADElectro - система, максимально учитывающая специфику работы конструктора-электрика, что обусловлено постановкой задачи из уст конструкторов, имеющих значительный опыт в создании как систем автоматизированного управления технологическими процессами, так и систем автоматизированного проектирования электрооборудования.
Возможности САПРа позволяют создавать проект как системе ЕСКД, так и в системе СПДС. Пакет CADElectro обеспечивается получение следующих конструкторских документов:
- схем электрических принципиальных (Э3);
- перечней элементов схемы электрической принципиальной (ПЭ3);
- таблиц электрических соединений (ТЭ4), таблиц электрических подключений (ТЭ5) и таблиц наборов зажимов (ТН3) (клеммных наборов);
- схем электрических расположения (Э7) либо сборочных чертежей (СБ) на проектируемые оболочки (шкафы, пульты и др.);
- спецификаций и ведомостей (ведомости покупных изделий, ведомости содержания драгоценных металлов).
Общая информация
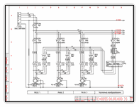
Схема электрическая принципиальная (Э3)
Перечень элементов схемы электрической принципиальной (ПЭ3)
Сборочные чертежи (СБ), схемы электрические расположения (Э7)
Спецификации и ведомости
Таблицы электрических соединений (ТЭ4), подключений (ТЭ5), наборов зажимов (ТНЗ)
База данных электроаппаратов, монтажных изделий и механической структуры
CADElectro полностью интегрирован в AutoCAD 2000, AutoCAD 2000i, AutoCAD 2002, AutoCAD 2004, AutoCAD 2005. Проектировщик может одновременно работать над созданием принципиальной схемы и проектированием НКУ, созданием таблиц соединений, спецификаций и ведомостей. Приложения в данном случае могут производить обмен данными и корректно работать. Все документы имеют возможность последующей корректировки и открыты для принудительного изменения данных. В любой их реализуемых задач проектировщику разрешается без ограничений использовать возможности AutoCAD (работа с окнами, копирование, перенос из проекта в проект элементов, кусков схемы и чертежа). Все документы, получаемые в САПРе, соответствуют ГОСТам и руководящим документам по стандартизации.
Система ведения архива конструкторской документации SEARCH, особенно при использовании сетевого варианта системы, позволяет организовать взаимосвязь проектов, а входящий модуль SHOW-мини - просматривать чертежи и проекты.
Схема электрическая принципиальная (Э3)
Система CADElectro работает по принципу "вся принципиальная схема - файл AutoCAD". При проектировании принципиальной схемы такой подход крайне удобен - просматриваются элементы с разнесенным способом изображения, схема становится более прозрачной.
При создании пакета были учтены требования ГОСТ 2.709-79. Принципиальная схема может проектироваться в любом формате (в CADElectro включены все базовые и производные форматы в соответствии с ГОСТ 2.301-68, возможно создание производного формата), поле схемы разбито на зоны и строки.
Изображение электрических аппаратов на схеме может быть как вертикальным, горизонтальным, так и смешанным. Генерация нового позиционного обозначения производится в зависимости от выбранного условного графического обозначения аппарата УГО (выбор типа аппарата осуществляется из базы данных). Для аппарата в любой момент времени может быть изменен тип, позиционное обозначение (как всех входящих в него элементов одновременно, так и любого в отдельности). Номера зажимов для каждого аппарата присваиваются автоматически из базы данных.
Аппараты могут изображаться разнесенным способом, ссылки, указывающие на остальные составные части, проставляются автоматически как при вставке аппарата в схему, так и при редактировании.
На этапе создания принципиальной схемы проектировщиком задаются типы линий связи (силовые, постояного тока, переменного тока), которые в последующих монтажных документах будут определять цвет провода: силовые - черный, постоянного тока - синий, переменного тока - красный.
При Т-образном пересечении линий связей, в месте пересечения автоматически вставляется точка связи. На обрывах линий связей автоматически формируются перекрестные ссылки, при удалении аппарата происходит разрыв и затягивание линий связи. Маркировка линий связей производится в автоматическом и ручном режимах.
Принципиальная схема, проектируемая в CADElectro, представляет собой модель, и каждое действие проектировщика отслеживается и фиксируется системой. Большое внимание уделено различным контролям, отслеженные ошибки локализуются в месте возникновения и не влияют на модель.
Выполняются следующие виды контроля:
- контроль за элементным составом выбранного типа аппарата;
- контроль за целостностью потенциальных узлов;
- контроль за повторением позиционных обозначений;
- контроль за повторением маркировок линий связей;
- контроль корректности подключения линий связей к аппаратам;
- контроль выбора типа аппарата;
- контроль на наличие явного (не через контакт) короткого замыкания
Перечень элементов схемы электрической принципиальной (ПЭ3)
Перечень элементов получается автоматически, так как все данные формируются на этапе проектирования принципиальной схемы. Перечень элементов выполняется посредством входящего в CADElectro модуля AVS в соответствии с ГОСТ 2.702 и ГОСТ 2.113.
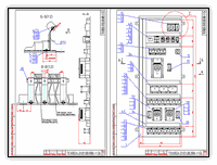
Сборочные чертежи (СБ), схемы электрические расположения (Э7)
Модуль CADMECH, входящий в CADElectro, позволяет сформировать полный комплект конструкторской документации на НКУ (низковольтное комплектное устройство). Обеспечивается:
- автоматическая отрисовка изображения электрических аппаратов, располагаемых на схеме электрической расположения или сборочном чертеже;
- автоматическая генерация изображений стандартных элементов, деталей и сборочных единиц с возможностью выбора типоразмеров элементов из справочно-информационной базы, с учетом применяемости каждого конкретного предприятия;
- автоматическое занесение и обработка информации для выпуска спецификации в процессе формирования схемы расположения или сборочного чертежа изделия, а также автоматическая генерация позиций элементов на чертеже в соответствии со спецификацией;
- ускоренное оформление чертежа в полном соответствии с требованиями ЕСКД и нормоконтроля (вычерчивание рамок чертежей различных форматов, установка штампов и их заполнение, нанесение осей отверстий и осей симметрии, заливка требуемых изображений с целью выделения групп одинаковых отверстий, нанесение различных знаков шероховатости, отклонений формы и расположения поверхностей, автоматизированная простановка размеров, генерация видов, разрезов, сечений, выбор и размещение технических требований).
Спецификации получаются автоматически, так как все данные формируются на этапе проектирования сборочного чертежа НКУ и монтажных документов (ТЭ4 - таблицы электрических соединений, ТН3 - таблицы наборов зажимов). Ведомости спецификаций, покупных изделий, содержания драгоценных металлов формируются автоматически на основе полученных ранее спецификаций (выполняется в модуле AVS). Все спецификации и ведомости выполняются в соответствии с ГОСТ 2.104-113.
Таблицы электрических соединений (ТЭ4), подключений (ТЭ5), наборов зажимов (ТНЗ)
САПР электрооборудования CADElectro позволяет формировать в автоматическом режиме таблицы электрических соединений (двух форм в соответствии с ГОСТ 2.702, 2.413) и подключений (ГОСТ 2.702, 2.413 либо журнал проводов согласно РМ, РД либо форма, принятая на предприятии), таблицы наборов зажимов (клеммных наборов), производит автоматический расчет расхода проводов и количества клемм. Посредством системы AVS автоматически формируется текстовый документ (базовая форма вывода данных в соответствии с ГОСТ 2.702, 2.413). Модуль передает данные о количестве, типе проводника и клемм в спецификацию конкретного НКУ (возможно, что в проекте проектируется более одного НКУ). Предоставляется возможность передачи сформированного документа в файл AutoCAD.
База данных электроаппаратов, монтажных изделий и механической структуры
CADElectro включает в свой базовый состав мощную, систематизированную базу электроаппаратуры и материалов (все необходимые записи по каждому элементу - тип, поставщик, характеристика, масса, содержание драгоценных металлов, цоколевка, описание) и их изображений (основные виды, виды отверстий под крепление, элементы крепежа), имеющую более 10000 записей, внесенных из Промышленного каталога "ИНФОРМЭЛЕКТРО" (80-99 гг). В поставляемой базе данных присутствуют аппараты фирм Hitachi, Mitsubishi, Omron (контроллеры, панели оператора, частотные преобразователи), а также пускозащитная, коммутационная и электромонтажная электроаппаратура фирм Schneider (Telemecanique, Merlin gerin, Legrand), Relpol, Promit, Advantach, Weidmuller. База имеет открытый характер и может корректироваться и пополняться пользователем как самостоятельно, так и с помощью Промышленного каталога "ИНФОРМЭЛЕКТРО" с электронного носителя.
Характеристики
| Разработчик | ИНТЕРМЕХ |



